Technical Parameters
| Parameter of safety light curtain | |
| Power supply | DC24V±20% |
| Capacity | <5W |
| Beam space | 10mm, 20mm, 40mm |
| Resolution | 15mm, 25mm, 45mm |
| Beams | 10mm :08, 12, 16……144 20mm : 4, 6, 8……72 40mm :4, 6, 8……36 |
| Protective height | Protective height =(N-1)*beam gap,N is beam quantity |
| Wave length | 940nm |
| Response time | Response time =(N * 0.1ms) + 0.4ms, N is beam quantity |
| Type of output(OSSD) | PNP or NPN Load current ≤ 200mA, residual voltage ≤ 1V (except for voltage drop caused by cable extension)and leakage current ≤ 1mA. |
| Protective circuit | Overload voltage protection, power supply reverse polarity protection, over current protection. |
| Sensing distance | 0.1~0.5m、0.1~2m, 0.1~4m (Remark: please let us know when with reflectivity) |
| Anti-optical interference | 10000 Lux(angle >5°) |
| Sensing method | Thru-beam |
| Synchronization | Wire synchronization |
| Enclosure material | Aluminum alloy+PMMA |
| Enclosure rating | IP68 |
| Housing cross-section | Ф50.5mm |
| Ambient operating temperature | -10℃~55℃(with no freezing) |
| Storage temperature | -30℃~60℃(with no freezing) |
| Ambient operating humidity | When temperature is 20℃,humidity max. 85% |
Wire Connection


Model Selection (e.g.: ESF1020Q1NCC-2)

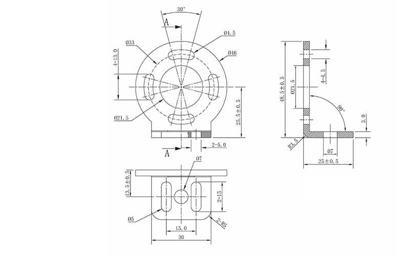
Product Size

A1: Upper end cover A2: Bottom end cover + aviation plug B1: Up blind area B2: Bottom blind area D: Beam space H: Protection height L: Total Height | A1=12mm;A2=22mm When D=10mm,B1=5mm; B2=30mm When D=20mm,B1=10mm;B2=35mm When D=40mm,B1=10mm;B2=35mm H is protective height:H=(beams-1)* beam space L is total height:L=A1+A2+B1+B2+H |
Beam space 10mm
| Beams | Protective Height (mm) | Total Height (mm) | Model | 3D File |
| 8 | 70 | 139 | ESF0810 | Download |
| 12 | 110 | 179 | ESF1210 | Download |
| 16 | 150 | 219 | ESF1610 | Download |
| 20 | 190 | 259 | ESF2010 | Download |
| 24 | 230 | 299 | ESF2410 | Download |
| 28 | 270 | 339 | ESF2810 | Download |
| 32 | 310 | 379 | ESF3210 | Download |
| 36 | 350 | 419 | ESF3610 | Download |
| 40 | 390 | 459 | ESF4010 | Download |
| 44 | 430 | 499 | ESF4410 | Download |
| 48 | 470 | 539 | ESF4810 | Download |
| 52 | 510 | 579 | ESF5210 | Download |
| 56 | 550 | 619 | ESF5610 | Download |
| 60 | 590 | 659 | ESF6010 | Download |
| 64 | 630 | 699 | ESF6410 | Download |
| 68 | 670 | 739 | ESF6810 | Download |
| 72 | 710 | 779 | ESF7210 | Download |
| 76 | 750 | 819 | ESF7610 | Download |
| 80 | 790 | 859 | ESF8010 | Download |
| 84 | 830 | 899 | ESF8410 | Download |
| 88 | 870 | 939 | ESF8810 | Download |
| 92 | 910 | 979 | ESF9210 | Download |
| 96 | 950 | 1019 | ESF9610 | Download |
| 100 | 990 | 1059 | ESF10010 | Download |
| 104 | 1030 | 1099 | ESF10410 | Download |
| 108 | 1070 | 1139 | ESF10810 | Download |
| 112 | 1110 | 1179 | ESF11210 | Download |
| 116 | 1150 | 1219 | ESF11610 | Download |
| 120 | 1190 | 1259 | ESF12010 | Download |
| 124 | 1230 | 1299 | ESF12410 | Download |
| 128 | 1270 | 1339 | ESF12810 | Download |
| …… | …… | …… | …… | |
| 144 | 1430 | 1499 | ESF14410 | Download |
Beam space 20mm
| Beams | Protective Height (mm) | Total Height (mm) | Model | 3D File |
| 6 | 100 | 179 | ESF0620 | Download |
| 8 | 140 | 219 | ESF0820 | Download |
| 10 | 180 | 259 | ESF1020 | Download |
| 12 | 220 | 299 | ESF1220 | Download |
| 14 | 260 | 339 | ESF1420 | Download |
| 16 | 300 | 379 | ESF1620 | Download |
| 18 | 340 | 419 | ESF1820 | Download |
| 20 | 380 | 459 | ESF2020 | Download |
| 22 | 420 | 499 | ESF2220 | Download |
| 24 | 460 | 539 | ESF2420 | Download |
| 26 | 500 | 579 | ESF2620 | Download |
| 28 | 540 | 619 | ESF2820 | Download |
| 30 | 580 | 659 | ESF3020 | Download |
| 32 | 620 | 699 | ESF3220 | Download |
| 34 | 660 | 739 | ESF3420 | Download |
| 36 | 700 | 779 | ESF3620 | Download |
| 38 | 740 | 819 | ESF3820 | Download |
| 40 | 780 | 859 | ESF4020 | Download |
| 42 | 820 | 899 | ESF4220 | Download |
| 44 | 860 | 939 | ESF4420 | Download |
| 46 | 900 | 979 | ESF4620 | Download |
| 48 | 940 | 1019 | ESF4820 | Download |
| 50 | 980 | 1059 | ESF5020 | Download |
| 52 | 1020 | 1099 | ESF5220 | Download |
| 54 | 1060 | 1139 | ESF5420 | Download |
| 56 | 1100 | 1179 | ESF5620 | Download |
| 58 | 1140 | 1219 | ESF5620 | Download |
| 60 | 1180 | 1259 | ESF6020 | Download |
| 62 | 1220 | 1299 | ESF6220 | Download |
| 64 | 1260 | 1339 | ESF6420 | Download |
| 66 | 1300 | 1379 | ESF6620 | Download |
| …… | …… | …… | …… | |
| 72 | 1420 | 1499 | ESF7220 | Download |
Beam space 40mm
| Beams | Protective Height (mm) | Total Height (mm) | Model | 3D File |
| 4 | 120 | 199 | ESF0440 | Download |
| 6 | 200 | 279 | ESF0640 | Download |
| 8 | 280 | 359 | ESF0840 | Download |
| 10 | 360 | 439 | ESF1040 | Download |
| 12 | 440 | 519 | ESF1240 | Download |
| 14 | 520 | 599 | ESF1440 | Download |
| 16 | 600 | 679 | ESF1640 | Download |
| 18 | 680 | 759 | ESF1840 | Download |
| 20 | 760 | 839 | ESF2040 | Download |
| 22 | 840 | 919 | ESF2240 | Download |
| 24 | 920 | 999 | ESF2440 | Download |
| 26 | 1000 | 1079 | ESF2640 | Download |
| 28 | 1080 | 1159 | ESF2840 | Download |
| 30 | 1160 | 1239 | ESF3040 | Download |
| 32 | 1240 | 1319 | ESF3240 | Download |
| 34 | 1320 | 1399 | ESF3440 | Download |
| 36 | 1400 | 1479 | ESF3640 | Download |
