Technical Parameters
| Parameter of safety light curtain | |
| Safety standard | Type 4 (IEC 61496-1/-2) Cat. 4. PL e (ISO 13849-1) |
| Supply voltage | DC24V±20% |
| Capacity | <5W |
| Beam space | 10mm, 20mm, 40mm |
| Resolution | 20mm, 30mm, 50mm |
| Protective height | Protective height =(N-1)*beam gap,N is beam quantity |
| Wave length | 940nm |
| Response time | <10ms |
| Type of output(OSSD) | PNP or NPN Load current 200mA, residual voltage 1V (except for voltage drop c ≤ ≤ aused by cable extension)and leakage current ≤ 1mA. |
| Protective circuit | Overload voltage protection, power supply reverse polarity protection, over current protection. |
| Sensing distance | 0.1~5m、0.1~10m (remark: If have light reflection, please let us know) |
| Anti-optical interference | 10000Lux(I >2.5°) |
| Sensing method | Through-beam type |
| Synchronization | Wire synchronization |
| Enclosure material | Aluminum alloy |
| Enclosure rating | IP65 |
| Housing cross-section | 35*53mm |
| Vibration resistance | 10Hz~55Hz,double amplitude each in X、Y、Z directions for 20 times. |
| Ambient operating temperature | -10℃-55℃(with no freezing) |
| Storage temperature | -30℃-70℃(with no freezing) |
| Ambient operating humidity | When temperature is 20℃,humidity max 85% |
Wire Connection
| NPN |
![]() |
| PNP |
![]() |
Model Selection (e.g.: 20ESE300-16PR-5)

Product Size
| Sectional size: 35*53mm | |
![]() | |
| A1:Upper cover A2:Bottom cover + aviatiom plug B1:Upper stop-work range B2:Bottom stop-work range D:Beam space H: Protection height L: Total height A1=17mm; A2=28mm | When D=10mm, B1=5mm; B2=30mm When D=20mm, B1=10mm; B2=35mm When D=40mm, B1=30mm; B2=35mm H=H=(Beams-1)*beam space L=A1+A2+B1+B2+H |
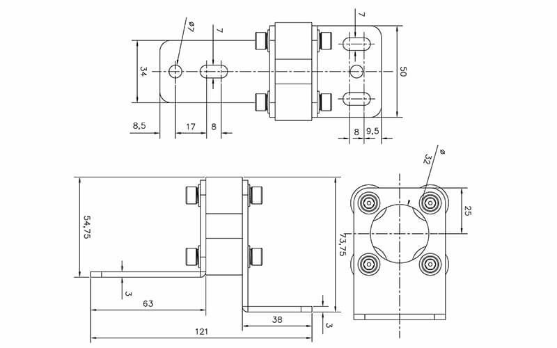
Option for Brackets
Installation picture
Accessories
Brackets Size
L1 side mounting bracket
L bracket (4pcs)
Slider (4pcs)
M6 gasket (4pcs)
M6 spring washer (4pcs)
M6*16 screw (4pcs)
M6*8 screw (4pcs)
Beam space 10mm
| Beams | Protective height(mm) | Total height(mm) | Model | 3D File |
| 16 | 150 | 230 | 10ESE150-16 | Download |
| 20 | 190 | 270 | 10ESE190-20 | Download |
| 24 | 230 | 310 | 10ESE230-24 | Download |
| 28 | 270 | 350 | 10ESE270-28 | Download |
| 32 | 310 | 390 | 10ESE310-32 | Download |
| 36 | 350 | 430 | 10ESE350-36 | Download |
| 40 | 390 | 470 | 10ESE390-40 | Download |
| 44 | 430 | 510 | 10ESE430-44 | Download |
| 48 | 470 | 550 | 10ESE470-48 | Download |
| 52 | 510 | 590 | 10ESE510-52 | Download |
| 56 | 550 | 630 | 10ESE550-56 | Download |
| 60 | 590 | 670 | 10ESE590-60 | Download |
| 64 | 630 | 710 | 10ESE630-64 | Download |
| 68 | 670 | 750 | 10ESE670-68 | Download |
| 72 | 710 | 790 | 10ESE710-72 | Download |
| 76 | 750 | 830 | 10ESE750-76 | Download |
| 80 | 790 | 870 | 10ESE790-80 | Download |
| 84 | 830 | 910 | 10ESE830-84 | Download |
| 88 | 870 | 950 | 10ESE870-88 | Download |
| 92 | 910 | 990 | 10ESE910-92 | Download |
| 96 | 950 | 1030 | 10ESE950-96 | Download |
| 100 | 990 | 1070 | 10ESE990-100 | Download |
| 104 | 1030 | 1110 | 10ESE1030-104 | Download |
| 108 | 1070 | 1150 | 10ESE1070-108 | Download |
| 112 | 1110 | 1190 | 10ESE1110-112 | Download |
| 116 | 1150 | 1230 | 10ESE1150-116 | Download |
| 120 | 1190 | 1270 | 10ESE1190-120 | Download |
| 124 | 1230 | 1310 | 10ESE1230-124 | Download |
| 128 | 1270 | 1350 | 10ESE1270-128 | Download |
| 132 | 1310 | 1390 | 10ESE1310-132 | Download |
| 136 | 1350 | 1430 | 10ESE1350-136 | Download |
| …… | …… | …… | …… | |
| 160 | 1590 | 1670 | 10ESE1590-160 | Download |
Beam space 20mm
| Beams | Protective height(mm) | Total height(mm) | Model | 3D File |
| 8 | 140 | 230 | 20ESE140-08 | Download |
| 10 | 180 | 270 | 20ESE180-10 | Download |
| 12 | 220 | 310 | 20ESE220-12 | Download |
| 14 | 260 | 350 | 20ESE260-14 | Download |
| 16 | 300 | 390 | 20ESE300-16 | Download |
| 18 | 340 | 430 | 20ESE340-18 | Download |
| 20 | 380 | 470 | 20ESE380-20 | Download |
| 22 | 420 | 510 | 20ESE420-22 | Download |
| 24 | 460 | 550 | 20ESE460-24 | Download |
| 26 | 500 | 590 | 20ESE500-26 | Download |
| 28 | 540 | 630 | 20ESE540-28 | Download |
| 30 | 580 | 670 | 20ESE580-30 | Download |
| 32 | 620 | 710 | 20ESE620-32 | Download |
| 34 | 660 | 750 | 20ESE660-34 | Download |
| 36 | 700 | 790 | 20ESE700-36 | Download |
| 38 | 740 | 830 | 20ESE740-38 | Download |
| 40 | 780 | 870 | 20ESE780-40 | Download |
| 42 | 820 | 910 | 20ESE820-42 | Download |
| 44 | 860 | 950 | 20ESE860-44 | Download |
| 46 | 900 | 990 | 20ESE900-46 | Download |
| 48 | 940 | 1030 | 20ESE940-48 | Download |
| 50 | 980 | 1070 | 20ESE980-50 | Download |
| 52 | 1020 | 1110 | 20ESE1020-52 | Download |
| 54 | 1060 | 1150 | 20ESE1060-54 | Download |
| 56 | 1100 | 1190 | 20ESE1100-56 | Download |
| 58 | 1140 | 1230 | 20ESE1140-58 | Download |
| 60 | 1180 | 1270 | 20ESE1180-60 | Download |
| 62 | 1220 | 1310 | 20ESE1220-62 | Download |
| 64 | 1260 | 1350 | 20ESE1260-64 | Download |
| 66 | 1300 | 1390 | 20ESE1300-66 | Download |
| 68 | 1340 | 1430 | 20ESE1340-68 | Download |
| 70 | 1380 | 1470 | 20ESE1380-70 | Download |
| 72 | 1420 | 1510 | 20ESE1380-72 | Download |
Beam space 40mm
| Beams | Protective height(mm) | Total height(mm) | Model | 3D File |
| 4 | 120 | 230 | 40ESE120-04 | Download |
| 6 | 200 | 310 | 40ESE200-06 | Download |
| 8 | 280 | 390 | 40ESE280-08 | Download |
| 10 | 360 | 470 | 40ESE360-10 | Download |
| 12 | 440 | 550 | 40ESE440-12 | Download |
| 14 | 520 | 630 | 40ESE520-14 | Download |
| 16 | 600 | 710 | 40ESE600-16 | Download |
| 18 | 680 | 790 | 40ESE680-18 | Download |
| 20 | 760 | 870 | 40ESE760-20 | Download |
| 22 | 840 | 950 | 40ESE840-22 | Download |
| 24 | 920 | 1030 | 40ESE920-24 | Download |
| 26 | 1000 | 1110 | 40ESE1000-26 | Download |
| 28 | 1080 | 1190 | 40ESE1080-28 | Download |
| 30 | 1160 | 1270 | 40ESE1160-30 | Download |
| 32 | 1240 | 1350 | 40ESE1240-32 | Download |
| 34 | 1320 | 1430 | 40ESE1320-34 | Download |
| 36 | 1400 | 1510 | 40ESE1400-36 | Download |



