Technical Parameters
| Parameter of safety light curtain | |
| Supply voltage | DC24V±15% |
| Beam space | 20mm, 40mm |
| Resolution | 25mm, 45mm |
| Beams | 20mm : 32, 64 40mm : 16, 32 |
| Wave length | 940nm |
| Capacity | <5W |
| Sensing distance | Max 20m (Remark: if light reflection, please let us know in advanced) |
| Anti-optical interference | 10000Lux (Incidence Angle I >5) |
| Sensing method | Through-beam type |
| Output mode | NPN, PNP, RS485 |
| Signal output | NPN or PNP transistor, when the load is less than 120mA, the redisual voltage is less than 1V ( except the voltage caused by cable extension), and the leakage current is less than 1mA. RS485 output: Modbus communication protocol, user-defined protocol. |
| Protective circuit | Power supply over voltage protection, reverse polarity protection and output over current protection. |
| Output signal | OSSD 1 output blocking signal, OSSD 2 output abnormal signal |
| The Emission Indicator | Normal: The indicator is steady green |
| The Receiving Indicator | Normal: The green light is steady onAbnormal alignment: The indicator is steady redCP malfunction: Red & green light blink alternately. |
| Insulation Resistance | >100MΩ |
| Ambient Operating Temperature | -40ºC-55ºC |
| Storage Temperature | -55ºC-80ºC |
| Ambient Humidity | When the temperature is 20 ºC, the relative air humidity is less than 85% |
| Enclosure rating | IP65 |
| Housing cross-section | 35*50mm |
| Electrical parameters of the protective cover | |
| Operating Voltage | 24V±10% |
| Working Current | 10A |
| Humidity Switch | Mechanical nylon film trigger switch relative temperature 20%-80% |
| Main Control Unit | When the heating unit of the starts, the red LED light at the front will grow |
| Cover Structure | Stainless Steel (201/304) |
| Cover | Self-adjusting heating glass |
| Heating Glass | Core 2 No. 14 standard cable will ground cable is required for heating glass (cable not provided) |
| Door Opening Method | Front-door opening mode |
| Door Closing Method | Front-door screws fixed |
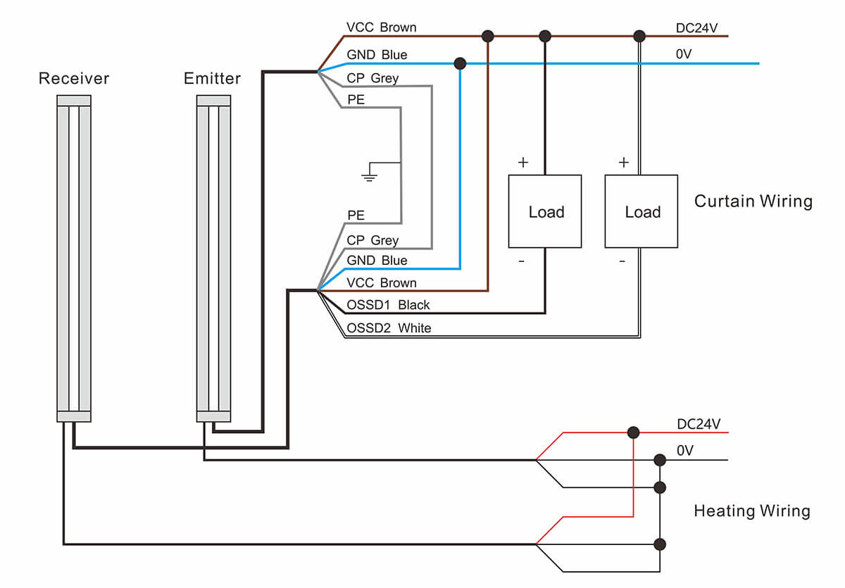
Wire Connection



Model Selection (e.g.: ESCC6420RH1NRY-20)

Enclosure Size


| Fault and Solution |

Beam space 20mm
