Product Details
| Parameter of safety light curtain | |
| Safety standard | Type 2 (IEC 61496-1/-2), Cat.2 / PL c (ISO 13849-1) |
| Supply voltage | DC 24V±20% |
| Capacity | <5W |
| Beam space | 10mm, 20mm |
| Resolution | 15mm, 25mm |
| Beams | 10mm :16, 20……160 20mm : 8, 10……80 |
| Protective height | Protection height=(N-1)*beam space, (N is beams) |
| Wave length | 940nm |
| Response time | Response Time =((N+1) * 0.1ms) + 0.4ms(N is beams) |
| Type of output(OSSD) | PNP or NPN Load currents ≤200mA, residual voltage less than 1V ( except voltage drop caused by cable extension),leakage current≤1mA |
| Protective circuit | Overload voltage protection, power supply reverse polarity protection, over current protection. |
| Sensing distance | 0.1~2m、0.5~5m (remark: If have light reflection, please let us know) |
| Anti-optical interference | 10000Lux (angle>2.5°) |
| Sensing method | Thru-beam |
| Synchronization | Wire synchronization |
| Enclosure material | Aluminum alloy |
| Enclosure rating | IP65 |
| Housing cross-section | 28*30mm |
| Vibration resistance | 10 ~55 Hz, amplitude 0.35±0.05mm, 20 times each in X, Y, Z direction |
| Shock resistance | 100m/s2 (10G), 16ms pulse 1000 times each at X, Y, Z directions |
| Ambient operating temperature | -10~55℃(no freezing) |
| Storage temperature | -30~70℃(no freezing) |
| Ambient operating humidity | When temperature is 20℃,humidity max. 85% |
| T (Operation time) | 20 years (ISO 13849-1) |
Wire Connection


| Indicator Specification |


Model Selection (e.g.: EFP2-1220NEL-2)

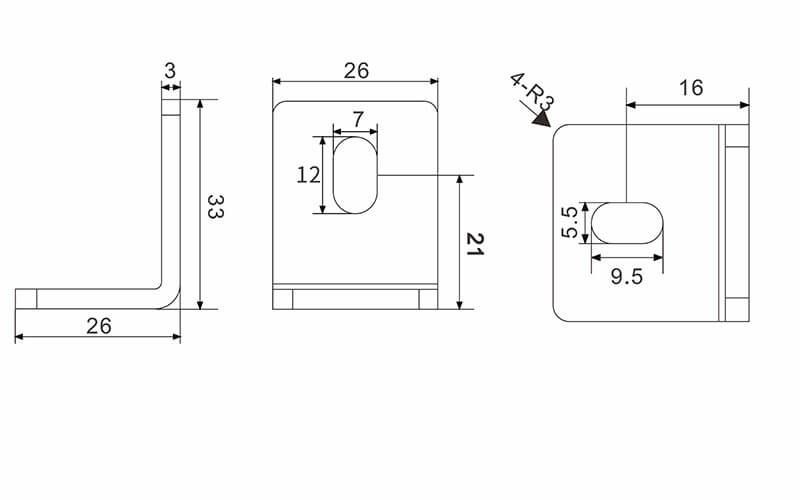
Product Size

D: Beam space H: Protection height L: Total Height H=(Beams-1)*beam space L=A1+A2+B1+B2+H |
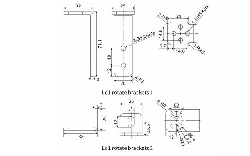
Option for Brackets
Beam space 10mm
| Beams | Protective height(mm) | Total height(mm) | Model | 3D File |
| 16 | 150 | 166 | EFP2-1610 | Download |
| 20 | 190 | 206 | EFP2-2010 | Download |
| 24 | 230 | 246 | EFP2-2410 | Download |
| 28 | 270 | 286 | EFP2-2810 | Download |
| 32 | 310 | 326 | EFP2-3210 | Download |
| 36 | 350 | 366 | EFP2-3610 | Download |
| 40 | 390 | 406 | EFP2-4010 | Download |
| 44 | 430 | 446 | EFP2-4410 | Download |
| 48 | 470 | 486 | EFP2-4810 | Download |
| 52 | 510 | 526 | EFP2-5210 | Download |
| 56 | 550 | 566 | EFP2-5610 | Download |
| 60 | 590 | 606 | EFP2-6010 | Download |
| 64 | 630 | 646 | EFP2-6410 | Download |
| 68 | 670 | 686 | EFP2-6810 | Download |
| 72 | 710 | 726 | EFP2-7210 | Download |
| 76 | 750 | 766 | EFP2-7610 | Download |
| 80 | 790 | 806 | EFP2-8010 | Download |
| 84 | 830 | 846 | EFP2-8410 | Download |
| 88 | 870 | 886 | EFP2-8810 | Download |
| 92 | 910 | 926 | EFP2-9210 | Download |
| 96 | 950 | 966 | EFP2-9610 | Download |
| 100 | 990 | 1006 | EFP2-10010 | Download |
| 104 | 1030 | 1046 | EFP2-10410 | Download |
| 108 | 1070 | 1086 | EFP2-10810 | Download |
| 112 | 1110 | 1126 | EFP2-11210 | Download |
| 116 | 1150 | 1166 | EFP2-11610 | Download |
| 120 | 1190 | 1206 | EFP2-12010 | Download |
| 124 | 1230 | 1246 | EFP2-12410 | Download |
| 128 | 1270 | 1286 | EFP2-12810 | Download |
| 132 | 1310 | 1326 | EFP2-13210 | Download |
| 136 | 1350 | 1366 | EFP2-13610 | Download |
| …… | …… | …… | …… | …… |
| 160 | 1590 | 1606 | EFP2-16010 | Download |
Beam space 20mm
| Beams | Protective height(mm) | Total height(mm) | Model | 3D File |
| 8 | 140 | 156 | EFP2-0820 | Download |
| 10 | 180 | 196 | EFP2-1020 | Download |
| 12 | 220 | 236 | EFP2-1220 | Download |
| 14 | 260 | 276 | EFP2-1420 | Download |
| 16 | 300 | 316 | EFP2-1620 | Download |
| 18 | 340 | 356 | EFP2-1820 | Download |
| 20 | 380 | 396 | EFP2-2020 | Download |
| 22 | 420 | 436 | EFP2-2220 | Download |
| 24 | 460 | 476 | EFP2-2420 | Download |
| 26 | 500 | 516 | EFP2-2620 | Download |
| 28 | 540 | 556 | EFP2-2820 | Download |
| 30 | 580 | 596 | EFP2-3020 | Download |
| 32 | 620 | 636 | EFP2-3220 | Download |
| 34 | 660 | 676 | EFP2-3420 | Download |
| 36 | 700 | 716 | EFP2-3620 | Download |
| 38 | 740 | 756 | EFP2-3820 | Download |
| 40 | 780 | 796 | EFP2-4020 | Download |
| 42 | 820 | 836 | EFP2-4220 | Download |
| 44 | 860 | 876 | EFP2-4420 | Download |
| 46 | 900 | 916 | EFP2-4620 | Download |
| 48 | 940 | 956 | EFP2-4820 | Download |
| 50 | 990 | 996 | EFP2-5020 | Download |
| 52 | 1020 | 1036 | EFP2-5220 | Download |
| 54 | 1060 | 1076 | EFP2-5420 | Download |
| 56 | 1100 | 1116 | EFP2-5620 | Download |
| 58 | 1140 | 1156 | EFP2-5820 | Download |
| 60 | 1180 | 1196 | EFP2-6020 | Download |
| 62 | 1220 | 1236 | EFP2-6220 | Download |
| 64 | 1260 | 1276 | EFP2-6420 | Download |
| 66 | 1300 | 1316 | EFP2-6620 | Download |
| 68 | 1340 | 1356 | EFP2-6820 | Download |
| …… | …… | …… | …… | …… |
| 80 | 1580 | 1596 | EFP2-8020 | Download |
