Technical Parameters
| Parameter of safety light curtain | |
| Power supply | DC24V±15% |
| Capacity | 20mm, 40mm |
| Detection precision | 2.5mm, 5mm, 10mm, 20mm, 40mm |
| Beams | 20mm beam space: 32, 64 40mm beam space: 16, 32 |
| Wave length | 940nm |
| Capacity | <5W |
| Sensing distance | Max 20m (Remark: if light reflection, please let us know in advanced) |
| Anti-optical interference | 10000Lux (Incidence Angle I >5) |
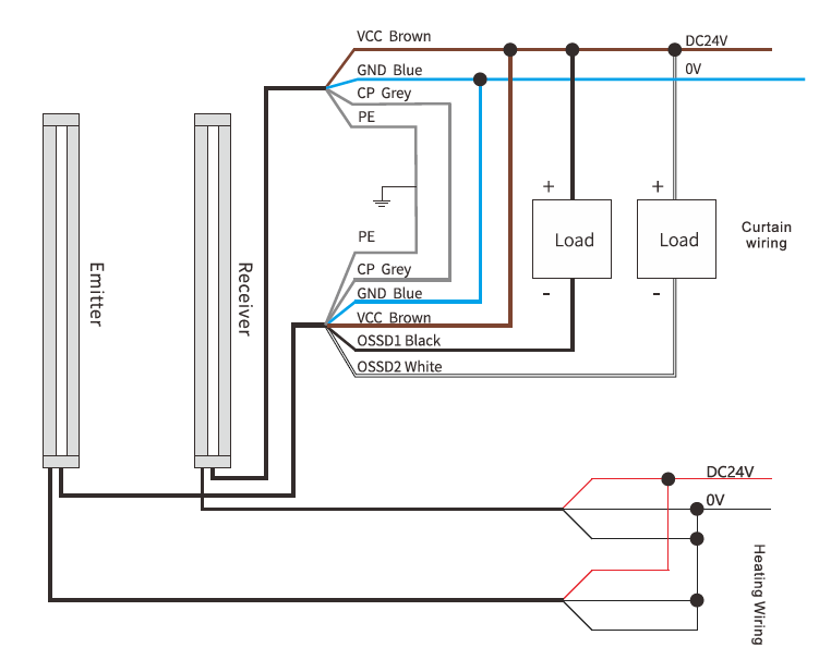
Wire Connection

Explanation of Model Number

Beam space 20mm
| Beams | Detection Height (mm) | Total Height (mm) | Model | 3D File |
| 64 | 157.5 | 285 | ESCL64025 | Download |
| 96 | 237.5 | 365 | ESCL96025 | Download |
| 128 | 317.5 | 445 | ESCL128025 | Download |
| 160 | 397.5 | 525 | ESCL160025 | Download |
| 192 | 477.5 | 605 | ESCL192025 | Download |
| 224 | 557.5 | 685 | ESCL224025 | Download |
| 256 | 637.5 | 765 | ESCL256025 | Download |
| 288 | 717.5 | 845 | ESCL288025 | Download |
| 320 | 797.5 | 925 | ESCL320025 | Download |
| 352 | 877.5 | 1005 | ESCL352025 | Download |
| 384 | 957.5 | 1085 | ESCL384025 | Download |
| 416 | 1037.5 | 1165 | ESCL416025 | Download |
| 448 | 1117.5 | 1245 | ESCL448025 | Download |
| 480 | 1197.5 | 1325 | ESCL480025 | Download |
